Online call
PDA series control units are compatible with continuous, ON/OFF and strobe lighting, operable through external PC.
1. Product features
PDA series constant voltage digital control units adopt STM chip, with functions of triggering, constant light, strobe, multi-channel, storage, etc. The main functions of high-power output and four PWM frequency options help eliminate the water ripples and adjust the dimming to 999 level. The host is connected through various communication methods.
2. Naming rule

|
Complete model |
Abbr. Model |
|
LS-PDA-A102-24-100-2 |
PDA-2 |
|
LS-PDA-A102-24-150-4 |
PDA-4 |
|
LS-PDA-A101 -24-300-8 |
PDA-8 |
3. Product specifications
|
Model name |
PDA-2 |
PDA-4 |
PDA-8 |
|
Input voltage/Frequency |
AC 100~240V 50/60HZ |
||
|
Lighting method |
Continuous lighting/Strobe lighting |
||
|
Number of channels |
2 channels |
4 channels |
8 channels |
|
Drive method |
Constant-voltage system |
||
|
Rated capacity |
100W max (30W max per channel) |
150W max (30W max per channel) |
300W max (30W max per channel) |
|
Lighting mode setting |
Manual/External |
||
|
Lighting mode setting |
0~999Level |
||
|
Output connector |
(24V LIGHT ) SM port3-pin |
SM port3-pin/EL port2-pin (HLV LIGHT ) SM port3-pin |
|
|
Trigger connector |
(TRIG IN ) Parallel communication connector DC3-8/2.54 |
||
|
External control connector |
(EXTERNAL) USB |
(EXTERNAL) DB9 |
|
|
PWM frequency |
62.5 KHz |
(62.5,125,250,500)KHz |
|
|
Applicable light units |
Lighting with input DC24V, constant-voltage driving system |
||
|
Operating temperature and humidity |
Temperature: 0 to 40°C,Humidity: 20% to 85% (with no condensation) |
||
|
Cooling method |
Forced air cooling |
||
|
Installation method |
Naturally placed/DIN rail installation |
||
|
Material and surface processing |
Aluminum alloy, surface electrophoresis |
||
|
Weight |
0.8Kg |
1.0Kg |
1.4Kg |
|
Included accessories |
AC power cord 1.2m, Instruction manual |
||
4. Service
|
Accessories |
a.DC extension cord |
c.External trigger cable |
|
b.AC power cord |
d.Communication Cable |
|
|
Customization |
a.Communication Cable, DC extension cord, External trigger cable, length can be customized |
|
|
b.Output and input interface can be customized |
||
|
c.Power/Voltage can be customized |
||
|
Warranty |
One-year warranty and technical support |
|
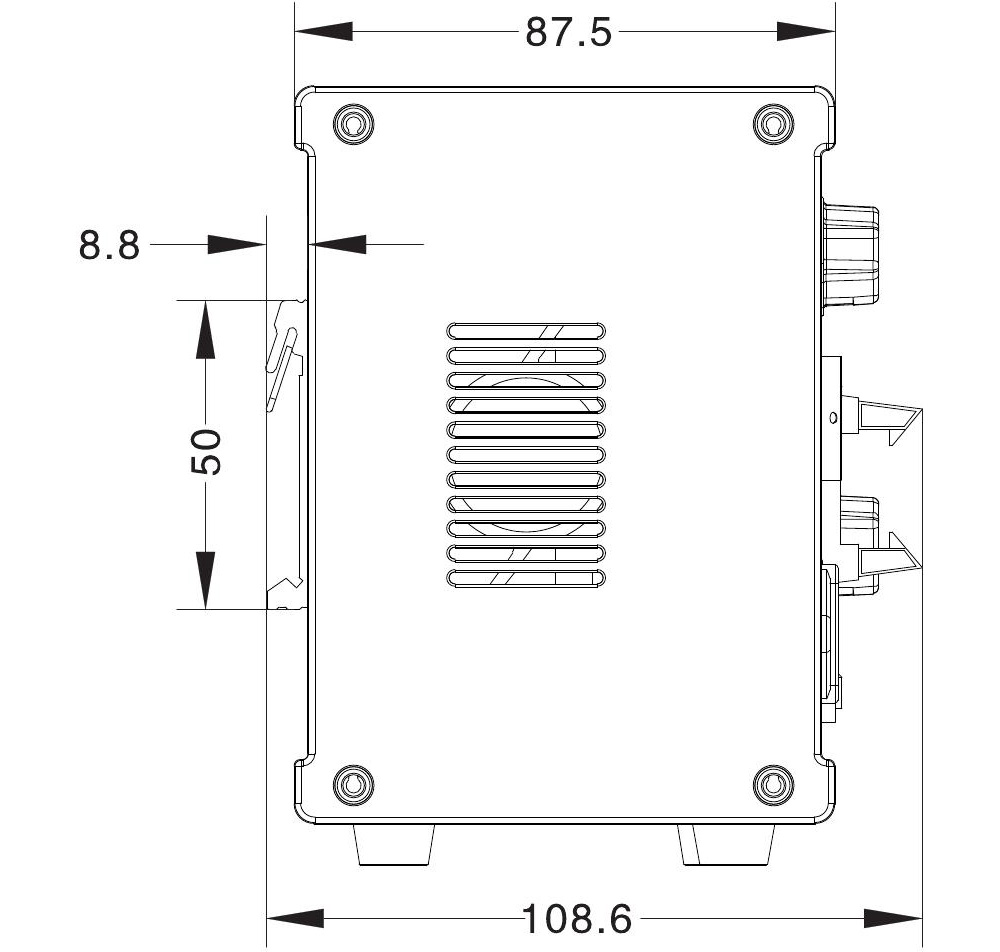
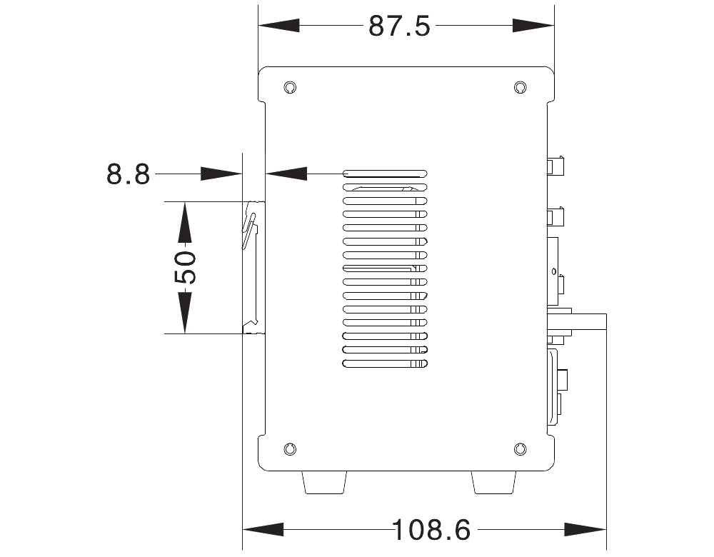
5. Dimensions (mm)

PDA-8 Front view

PDA-8 Side view

PDA-4 Front view

PDA-4 Side view

PDA-2 Front view

PDA-2 Side view